Round Combination Lock 2800 (Public / Private)
The 2800 mechanical combination lock is a 4-wheel combination lock featuring up to 10,000 unique combinations.
Available in single-use public mode and private mode versions, a simple button allows the user to set their own pin code and change it whilst the lock is open (private mode only).
With a robust design, range of options and simplicity of use, this combination lock is suitable for a broad range of applications including lockers, office furniture, and personal storage.
User and Programming are done by Secure Lockers at time of installation.
Colour Options: Black, White and Silver
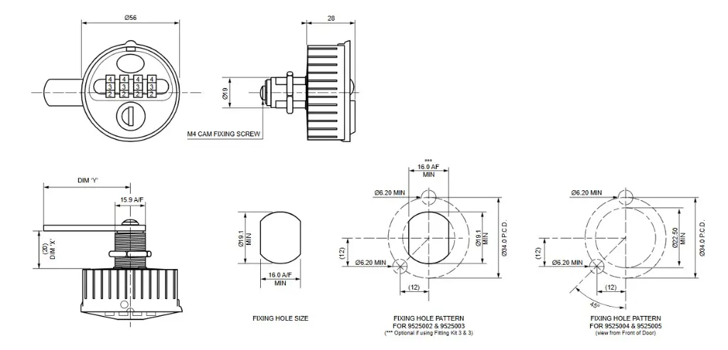
Lock Dimensions: 56mm diameter
Public / Private mode versions. (Lock cannot switch between public and private mode. They are two different locks.)
4-wheel combination for 10,000 user codes
Patented code finder function
Code changing function
Standard or twist resist versions available
Zinc die-cast construction
Customisable logo area for customer logo application or sequential numbers
Manufactured to fit standard industry footprint 16mm x 19mm
Nut fixing: 3/4” – 27 UN x 20mm long (15.9mm A/F)
Cam fixing: 8mm Sq. with M4 thread
- Lock Type: Mechanical Lock / Combination Lock
- Environment: Indoors
- Suitability: Metal Lockers, Plastic Lockers, Laminate Lockers

















