Wet Area Digital Combination Lock 3781
The Zenith wet area electronic lock 3781 is IP65 rated with water resistant features that have redefined the standards for function and protection in wet areas.
Public mode / Private mode / Auto Open Mode
Damp environments such as gyms, spas, swimming pools, aquatic centres and wellness facilities bring their own set of security requirements. Here, high footfall and constant exposure to moisture or chlorine challenge both durability and regulatory compliance. AU standards covering security and hygiene make the choice of lock every bit as crucial as locker design or layout.
IP65 certification is essential for hardware in wet, chlorinated or humid environments. This rating means complete protection from dust and strong resistance to water jets, meeting best practices for both hygiene and product longevity.
Specialist locks for damp environments feature:
- Construction with corrosion-resistant materials for pools and saunas
- Maintenance-friendly designs, minimising unplanned downtime
- Compatibility with both new installations and retrofit upgrades, streamlining compliance for existing projects
User and Programming are done by Secure Lockers at time of installation.
Colour Options: Black, white or silver
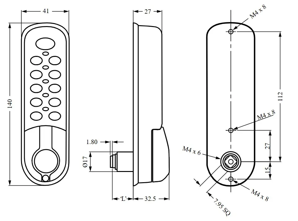
Lock Dimensions: 140 x 41mm
Fitting options: Vertical, left or right hand. Two or three point
User modes: Public mode, private mode, technician mode or RAS (available on request)
User codes: 8-digit master code; 6-digit sub-master code; 4-digit user code
Spindle length: 16mm or 20mm
Wide variety of cams
Audible keypad
LED indicator lights
Battery condition indicator
Auto unlock mode
Steel override key (2-keys supplied per 50 locks)
2 x AA batteries (included)
Up to 50,000 cycles per pair of batteries
- Lock Type: Digital Combination / Smart Lock
- Environment: Indoors, Outdoors, Wet Areas, Aquatic Centres
- Suitability: Metal Lockers, Plastic Lockers, Laminate Lockers
| Orientation: Vertical |











